Listwa rolkowa aluminiowa LR-1C-30 to rozwiązanie oparte na ektrudowanym profilu aluminiowym. Dzięki temu uzyskujemy wysoką wytrzymałość, odporność na korozję oraz łatwość montażu.
Montaż odbywa się poprzez przykręcenie bezpośrednio do profila/płaskownika.
| Materiał listwy | Aluminium |
|---|---|
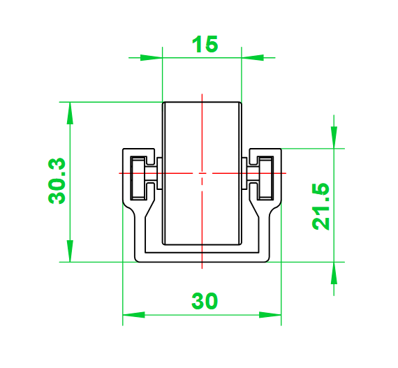
| Wysokość całkowita | 30,3 mm |
| Szerokość całkowita | 30 mm |
| Grubość materiału | 1,4 mm |
| Materiał rolek | Polietylen |
| Wielkość rolek | ⌀27x15 mm |
| Ilość rolek | 66 szt./m |
| Maksymalne obciążenie rolki | 4 kg/rolkę |
| Maksymalne obciążenie listwy | 40 kg/m |









